UCP208-24, 1-1/2" Bore, 2-Bolt Pillow Block (0624)
$ 44.73
UCP Series - Standard Duty, Set Screw Locking Type
- Standard duty unit, set screw locking
- One-piece cast iron housing, solid base
- Wide inner ring bearing
- Dual heavy-duty slinger type contact seals
- Grease fitting for adding lubricant
- Anti-Rotation device
- Triple lip seals available on request
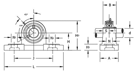
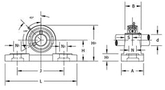
| Specifications: | |
|---|---|
| Unit No. | UCP208-24 |
| Bearing Type | Pillow Block - Standard duty unit, set screw locking |
| Material | Cast iron housing, AISI 52100 steel insert |
| Shaft Diameter | 1.5 in |
| Insert No. | UC208-24 |
| Housing No. | P208 |
| Basic Dynamic Load Rating (Cr) | 6631.86 lbs |
| Basic Static Load Rating (Cor) | 4069.04 lbs |
| Weight | 4.25 lbs |
download the dimension & spec sheet for this series
INTERCHANGE
AMI: UCP 208-24
Browning: VPS-224
Dodge: P2B-SC-108
Fafnir: RASC-1 1/2
Fafnir: YAS-1 1/2
Link-Belt: P3-U224N
Link-Belt: P3-Y224N
NSK: USP208-24S
NTN: UCP208-108T
Peer: FHSP208-24G
RHP: NP-1 1/2
Sealmaster: NP-24

Share this item: